Cumberland County
Building Summary

Data last updated on: 1/4/2026     Ownership current as of: 12/30/2025     Tax Year: 2026
REID 0433228141000

PIN # 0433-22-8141

Location Address Property Description
1405 SAND HILL RD LAMONT & CHARLENE SHAW & KENNETH MELVIN LO:4 PL:00145-0186
   
Property Owner Owner's Mailing Address
SHAW, LAMONT
1451 SAND HILL RD
HOPE MILLS NC 28348
Parcel
Buildings
Misc Improvements
Land
Deeds
Documents
Notes
Sales
Sales Comparison
Photos
Building Location Address
1405 SAND HILL RD
Building Description
R1-SINGLE-FAMILY-RES
Card   of  1
Bldg Type R1-SINGLE-FAMILY-RES
Units 0
Living Area (SQFT) 2428
Number of Stories 2.00
Style 000088-STYLE
Foundation S-SLAB
Frame CONSTANT
Exterior 04-VINYL-SIDING
Const Type
Heating M-07&S-01
Air Cond AC-Y
Plumbing Baths (Full):   2
Baths (Half):   1
Extra Fixtures:   2
Total Plumbing Fixtures:   10 
Bedrooms 4
Roof Cover 03-COMP SHINGLE
Roof Type 02-GABLE
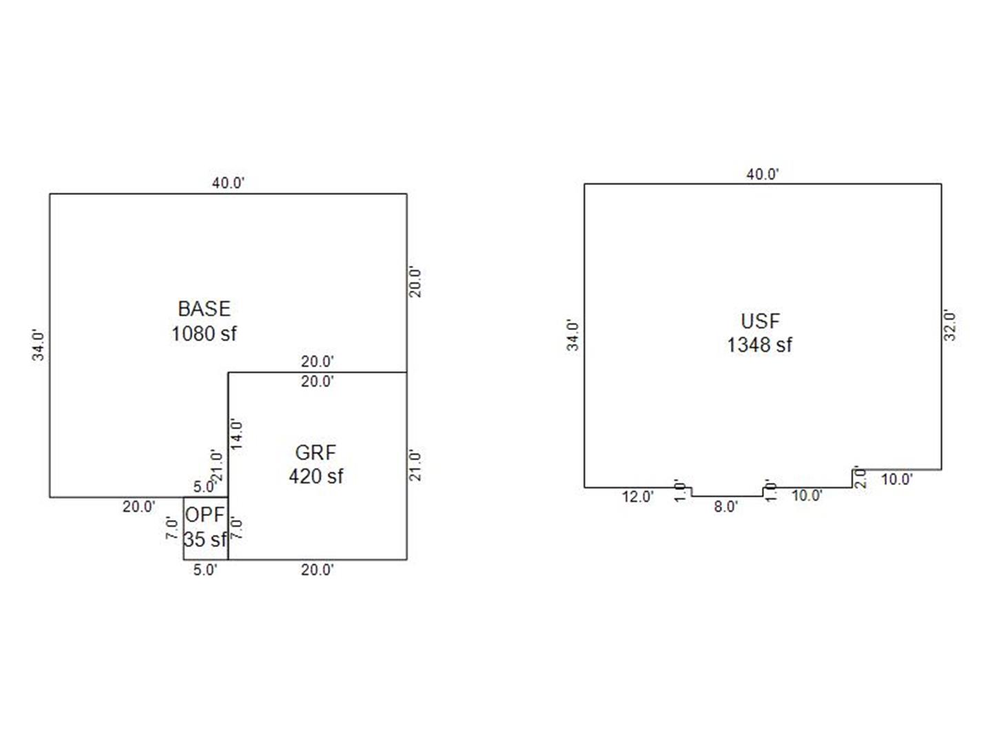
Main Body (SQFT) 1080
Year Built 2021
Additions 3
Effective Year 2021
Remodeled 0
Interior Adj.
Other Features
Building Total & Improvement Details

Grade 370 108%
Percentage Complete 100
Total Adjusted Replacement Cost New $278,454
Physical Depreciation (% Bad) G 4%
Depreciated Value $267,316
Economic Depreciation (% Bad) 0
Functional Depreciation (% Bad) 0
Total Depreciated Value $267,316
Market Area Factor 1.00
Building Value $267,316
Misc Improvements Value
Total Improvement Value $267,316

Assessed Land Value $47,333
   
Assessed Total Value $379,700



Addition Summary 
StoryTypeCodeArea
1.00 GARAGE FINISH GRF 420
1.00 UPPER STY FIN USF 1348
1.00 OPEN PORCH FIN OPF 35
 
Other Improvements 
 


Building Sketch
Photograph
Building Sketch Building Photo
(Click sketch for bigger image)