Cumberland County
Building Summary

Data last updated on: 11/12/2025     Ownership current as of: 10/31/2025     Tax Year: 2025
REID 0412439600000

PIN # 0412-43-9600

Location Address Property Description
6932 RUNNING FOX RD THE MEADOWS AT ROSLIN FARMS WEST LO:239 SE:2 PL:00146-0157
   
Property Owner Owner's Mailing Address
ROHLER, RANDY DAVID JR;ROHLER, DOROTHY MARIE
6932 RUNNING FOX RD
HOPE MILLS NC 28348
Parcel
Buildings
Misc Improvements
Land
Deeds
Documents
Notes
Sales
Sales Comparison
Photos
Building Location Address
6932 RUNNING FOX RD
Building Description
R1-SINGLE-FAMILY-RES
Card   of  1
Bldg Type R1-SINGLE-FAMILY-RES
Units 0
Living Area (SQFT) 2709
Number of Stories 2.00
Style 000088-STYLE
Foundation S-SLAB
Frame CONSTANT
Exterior 04-VINYL-SIDING
Const Type
Heating M-07&S-01
Air Cond AC-Y
Plumbing Baths (Full):   2
Baths (Half):   1
Extra Fixtures:   3
Total Plumbing Fixtures:   11 
Bedrooms 4
Roof Cover 03-COMP SHINGLE
Roof Type 02-GABLE
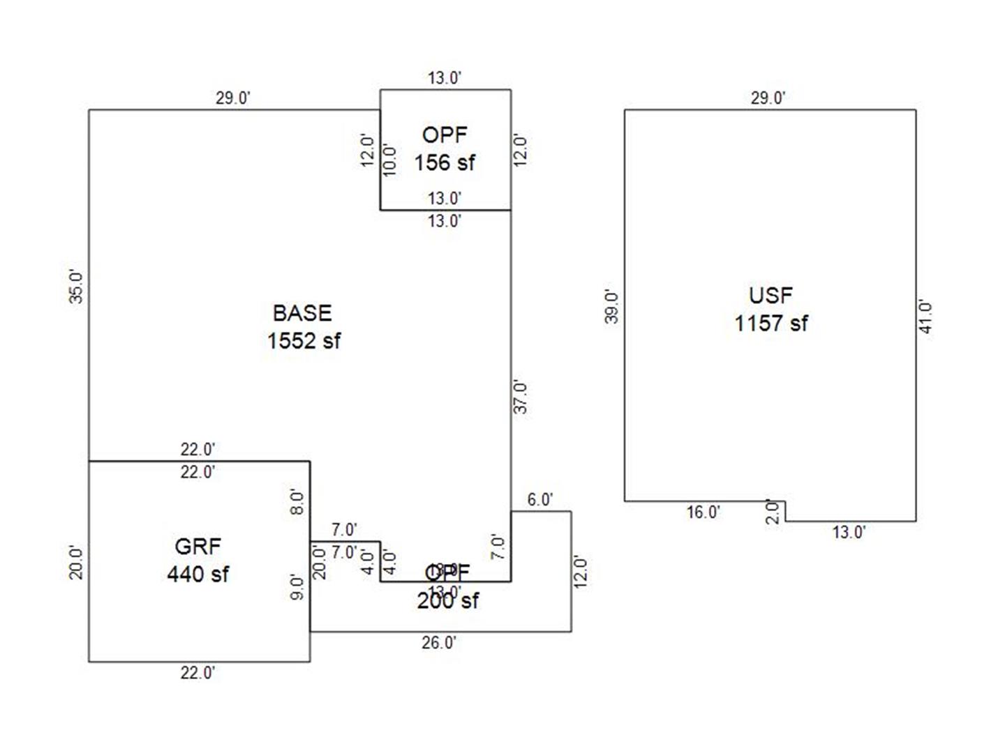
Main Body (SQFT) 1552
Year Built 2023
Additions 4
Effective Year 2023
Remodeled 0
Interior Adj.
Other Features
Building Total & Improvement Details

Grade 370 108%
Percentage Complete 100
Total Adjusted Replacement Cost New $319,868
Physical Depreciation (% Bad) V 2%
Depreciated Value $313,471
Economic Depreciation (% Bad) 0
Functional Depreciation (% Bad) 0
Total Depreciated Value $313,471
Market Area Factor 1.00
Building Value $313,471
Misc Improvements Value
Total Improvement Value $313,471

Assessed Land Value $40,000
   
Assessed Total Value $384,100



Addition Summary 
StoryTypeCodeArea
1.00 GARAGE FINISH GRF 440
1.00 OPEN PORCH FIN OPF 156
1.00 OPEN PORCH FIN OPF 200
1.00 UPPER STY FIN USF 1157
 
Other Improvements 
 


Building Sketch
Photograph
Building Sketch Building Photo
(Click sketch for bigger image)