Cumberland County
Building Summary

Data last updated on: 1/12/2026     Ownership current as of: 1/7/2026     Tax Year: 2026
REID 0426554252000

PIN # 0426-55-4252

Location Address Property Description
2427 COLGATE DR BRIARWOOD HILLS LO:219 SE:04 PL:0030-0059
   
Property Owner Owner's Mailing Address
MARTINEZ, DIANA;BACHELER, CHRISTIAN
2427 COLGATE DRIVE
FAYETTEVILLE NC 28304
Parcel
Buildings
Misc Improvements
Land
Deeds
Documents
Notes
Sales
Sales Comparison
Photos
Building Location Address
2427 COLGATE DR
Building Description
R1-SINGLE-FAMILY-RES
Card   of  1
Bldg Type R1-SINGLE-FAMILY-RES
Units 0
Living Area (SQFT) 2345
Number of Stories 1.00
Style 000002-STYLE
Foundation G-PIERS-W/CNTFWL
Frame CONSTANT
Exterior 22-CONCRETE-SIDING
Const Type
Heating M-07&S-01
Air Cond AC-Y
Plumbing Baths (Full):   2
Baths (Half):   1
Extra Fixtures:   0
Total Plumbing Fixtures:   8 
Bedrooms 3
Floor 11-CARPET-COMB
Roof Cover 03-COMP SHINGLE
Roof Type 02-GABLE
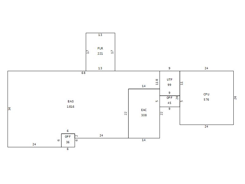
Main Body (SQFT) 1816
Year Built 1976
Additions 6
Effective Year 1990
Remodeled 2007
Interior Adj.
Other Features
Building Total & Improvement Details

Grade 350 100%
Percentage Complete 100
Total Adjusted Replacement Cost New $255,547
Physical Depreciation (% Bad) A 25%
Depreciated Value $191,660
Economic Depreciation (% Bad) 0
Functional Depreciation (% Bad) 0
Total Depreciated Value $191,660
Market Area Factor 1.00
Building Value $191,660
Misc Improvements Value
Total Improvement Value $191,660

Assessed Land Value $70,000
   
Assessed Total Value $326,200



Addition Summary 
StoryTypeCodeArea
1.00 FLORIDA ROOM FLR 221
1.00 OPEN PORCH FIN OPF 36
1.00 ENCL AREA AVER EAC 308
1.00 UTILITY FIN UTF 99
1.00 CARPORT UNFIN CPU 576
1.00 OPEN PORCH FIN OPF 45
 
Other Improvements 
 


Building Sketch
Photograph
Building Sketch Building Photo
(Click sketch for bigger image)