Cumberland County
Building Summary

Data last updated on: 1/26/2026     Ownership current as of: 1/20/2026     Tax Year: 2026
REID 0439171501000

PIN # 0439-17-1501

Location Address Property Description
735 SPY GLASS DR COUNTRY CLUB NORTH LO:349 SE:7C PL:0097-0086
   
Property Owner Owner's Mailing Address
STEELE-AROSEMENA, DEBORAH
735 SPY GLASS DR
FAYETTEVILLE NC 28311
Parcel
Buildings
Misc Improvements
Land
Deeds
Documents
Notes
Sales
Sales Comparison
Photos
Building Location Address
735 SPY GLASS DR
Building Description
R1-SINGLE-FAMILY-RES
Card   of  1
Bldg Type R1-SINGLE-FAMILY-RES
Units 0
Living Area (SQFT) 2109
Number of Stories 2.00
Style 000002-STYLE
Foundation G-PIERS-W/CNTFWL
Frame CONSTANT
Exterior 04-VINYL-SIDING
Const Type
Heating M-07&S-02
Air Cond AC-Y
Plumbing Baths (Full):   2
Baths (Half):   1
Extra Fixtures:   3
Total Plumbing Fixtures:   11 
Bedrooms 3
Floor 10-HDWD-TERR-TILE
Roof Cover 03-COMP SHINGLE
Roof Type 02-GABLE
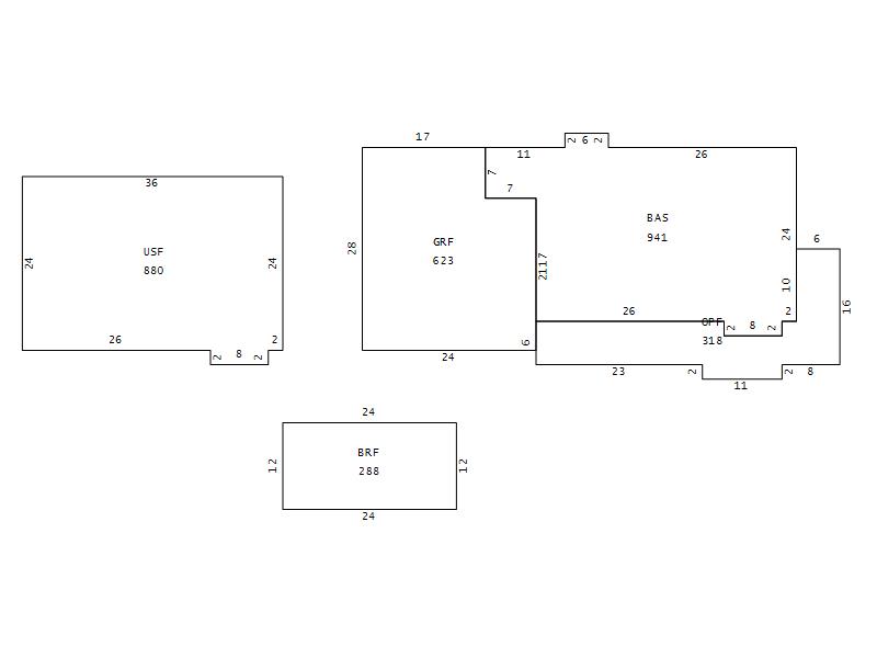
Main Body (SQFT) 941
Year Built 1998
Additions 4
Effective Year 1998
Remodeled 0
Interior Adj.
Other Features
Building Total & Improvement Details

Grade 370 108%
Percentage Complete 100
Total Adjusted Replacement Cost New $263,806
Physical Depreciation (% Bad) A 22%
Depreciated Value $205,769
Economic Depreciation (% Bad) 0
Functional Depreciation (% Bad) 0
Total Depreciated Value $205,769
Market Area Factor 1.00
Building Value $205,769
Misc Improvements Value $451
Total Improvement Value $206,220

Assessed Land Value $33,000
   
Assessed Total Value $335,300



Addition Summary 
StoryTypeCodeArea
1.00 OPEN PORCH FIN OPF 318
1.00 GARAGE FINISH GRF 623
1.00 UPPER STY FIN USF 880
1.00 BONUS RM FINIS BRF 288
 
Other Improvements 
UnitsDescriptionItemCodeYear% BadValue
12x14 DIMENSIONS CONCRETE PATIO 1998 65 451
 


Building Sketch
Photograph
Building Sketch Building Photo
(Click sketch for bigger image)